Início Produtos
O carrinho de compras está vazio.

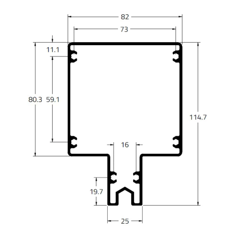
PS-328 Natural

Compartilhar

Luva Montante Central 120 mm